申报书
建设方案
任务书
年度检查报告
2024年度检查报告
2024年度管理报告
2024年度建设任务完成情况及标志性成果一览表
党政联席会议纪要(2025-01)
佐证材料
1.人才培养模式创新
1-1-1:完善专业群建设委员会
1-1-2:完善专业群校企合作机制
1-2-1:优化专业群各专业人才培养方案
1-3-1:共建西门子 SIEMENS PLM认证项目
2.课程教学资源建设
2-1-1:开展国家精品课程申报工作
2-1-2:立项3门、结题4门校级精品课程
2-2-1:注塑模具1+x试点合作协议
2-2-2:开发“注塑模具模流分析及工艺调试” 1+X培训资源包
3.教材与教法改革
3-1-1:参编正式出版的教材5本
3-1-2:立项2个、结题4个校本教材和数字化资源项目
3-2-1:发表教学改革与研究论文6篇
3-2-2:立项教研项目省级3个、校级4个
3-2-3:立项校级教学成果奖培育项目1个
4.教师教学创新团队
4-1-1:专业带头人优化工作过程课程体系及颠覆性教学改革
4-1-2:加强骨干教师培养力度,2人晋升副教授,15人通过双师评审,66人次参加培训
4-1-3:提升专业群社会服务能力
4-2-1:郑钢荣获校级“教学名师”称号
4-3-1:立项校级课程思政示范团队
4-3-2:立项校级教学创新团队
5.实践教学基地
5-1-1:模具智能制造实训室建设情况
5-2-1:立项校级产教融合实训基地
5-2-2:升级改造智能制造产教融合实训基地
6.技能技术平台
6-1-1:践行技能与创新型人才培养,校外参赛获奖31项
6-1-2:立项学生科技与创新项目省级5项、校级4项
6-2-1:与企业共建精密检测服务平台
6-2-2:申请专利和软著授权18项
6-2-3:立项科研项目省级2个
7.社会服务
7-1-1:开展数车、数铣1+X等工种职业技能鉴定519人次
7-1-2:开展考证与技能培训681人日
7-2-1:开展横向课题4项,到帐7.2万
7-2-2:助力区域企业获得科技进步奖
8.国际交流与合作
8-1-1:引入国际化资源促进专业技能学习
8-1-2:开设创新精英班开拓国际化升学方向
8-2-1:受邀参加越南一东盟人工智能产业发展高峰论坛
9.可持续发展保障机制
9-1-1:召开专业群建设相关会议4次
9-1-2:形成专业群动态优化长效机制
9-2-1:有效推进教学检查与诊改
9-2-2:工业设计专业试行专业及课程PDCA质量改进
9-2-3:2021-2024学年专业建设质量评估校级排名第二
标志性成果佐证材料
1.共建西门子 SIEMENS PLM认证项目
2.开展国家精品课程申报工作
3.立项校级教学成果奖培育项目1个
4.加强骨干教师培养力度,2人晋升副教授,15人通过双师评审,66人次参加
5.立项校级课程思政示范团队
6.立项校级教学创新团队
7.立项校级产教融合实训基地
8.践行技能与创新型人才培养,校外参赛获奖31项
9.立项学生科技与创新项目省级5项、校级4项
10.与企业共建精密检测服务平台
11.申请专利和软著授权18项
12.立项科研项目省级2个
13.助力区域企业获得科技进步奖
往年检查报告
2021年度检查报告
2021年度检查结果
2022年度检查报告
2022年度检查结果
中期检查报告(2023年)
中期检查结果(2023年)
2023年度检查报告
2023年度检查结果
项目管理
1.专业群建设项目管理办法
2.专业群建设经费管理办法
3.2021年专业群经费支出明细表
4.2022年专业群经费支出明细表
5.2023年专业群经费支出明细表
6. 2024年专业群经费支出明细表
返回首页
佐证材料
当前位置:
首页
>
佐证材料
>
3.教材与教法改革
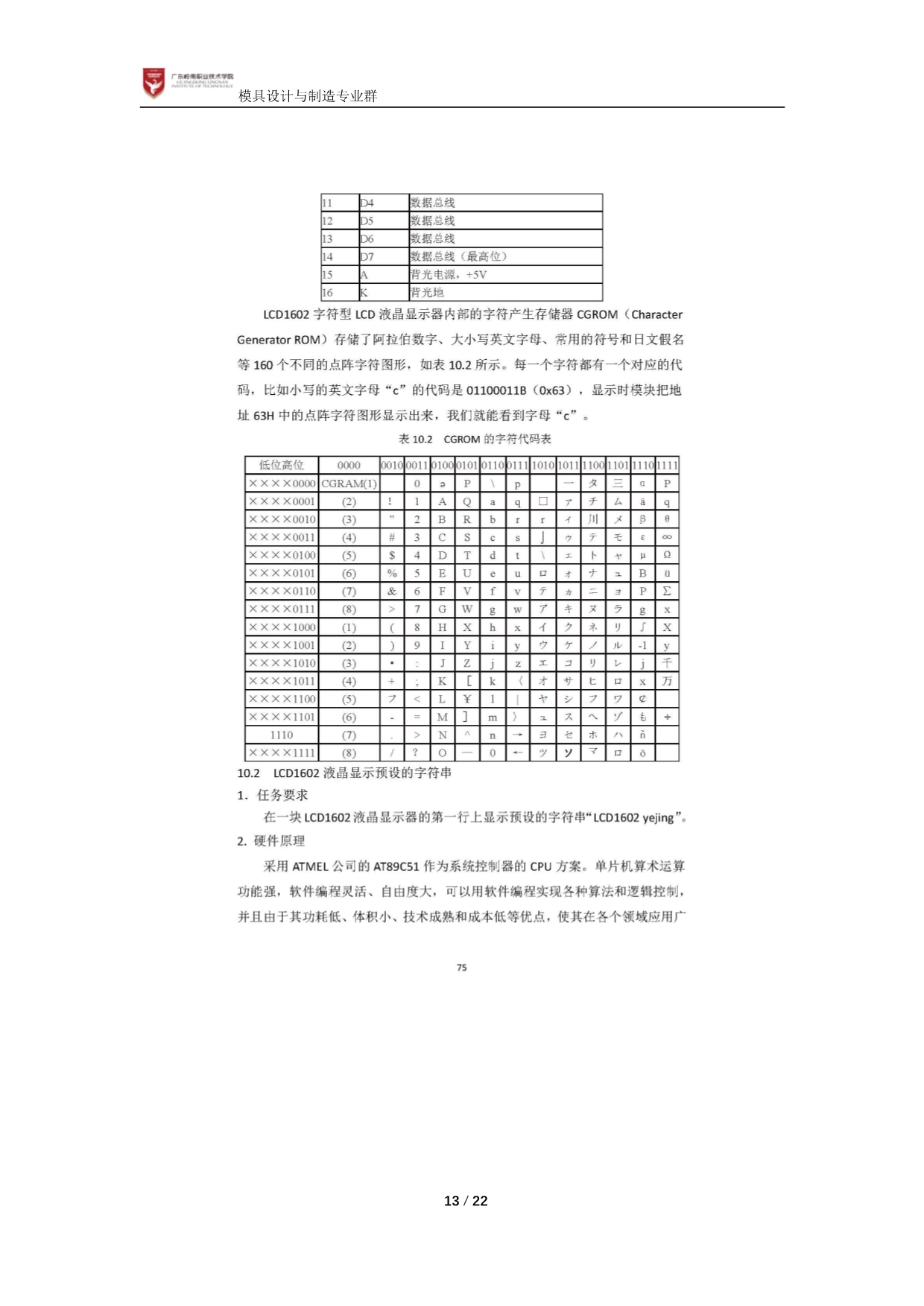
佐证材料3-1-4:校本教材《51单片机原理及C语言开发实例》
2024/1/16 16:24:03
人浏览
上一篇:
佐证材料3-1-3:校本教材《产品造型设计(Rhino)》
下一篇:
佐证材料3-2-1:推进“厂中校”实践教学改革
技术支持:广东力拓网络科技有限公司