• 首页
  • 2015年度省高职教育质量工程教研教改项目
    • 1.基于完全学分制的电子信息工程技术专业人才培养模式研究与实践
      • 2.校企合作背景下实习实训环节质量保障体系研究与实践
      1.基于完全学分制的电子信息工程技术专业人才培养模式研究与实践
      • 1.基于完全学分制的电子信息工程技术专业人才培养模式研究与实践
        • 1-1.项目申报书
          • 1-2.项目开题报告
            • 1-3.项目结题验收登记表
              • 1-4.项目研究报告
                • 1-5.项目结题佐证材料
                  • 1-6.专家评审意见
                  • 2.校企合作背景下实习实训环节质量保障体系研究与实践
                    • 2-1.项目申报书
                      • 2-2.项目开题报告
                        • 2-3.项目结题验收登记表
                          • 2-4.项目研究报告
                            • 2-5.项目结题佐证材料
                              • 2-6.专家评审意见
                              当前位置:首页 >> 2015年度省高职教育质量工程教研教改项目 >> 1.基于完全学分制的电子信息工程技术专业人才培养模式研究与实践 >> 1-5.项目结题佐证材料

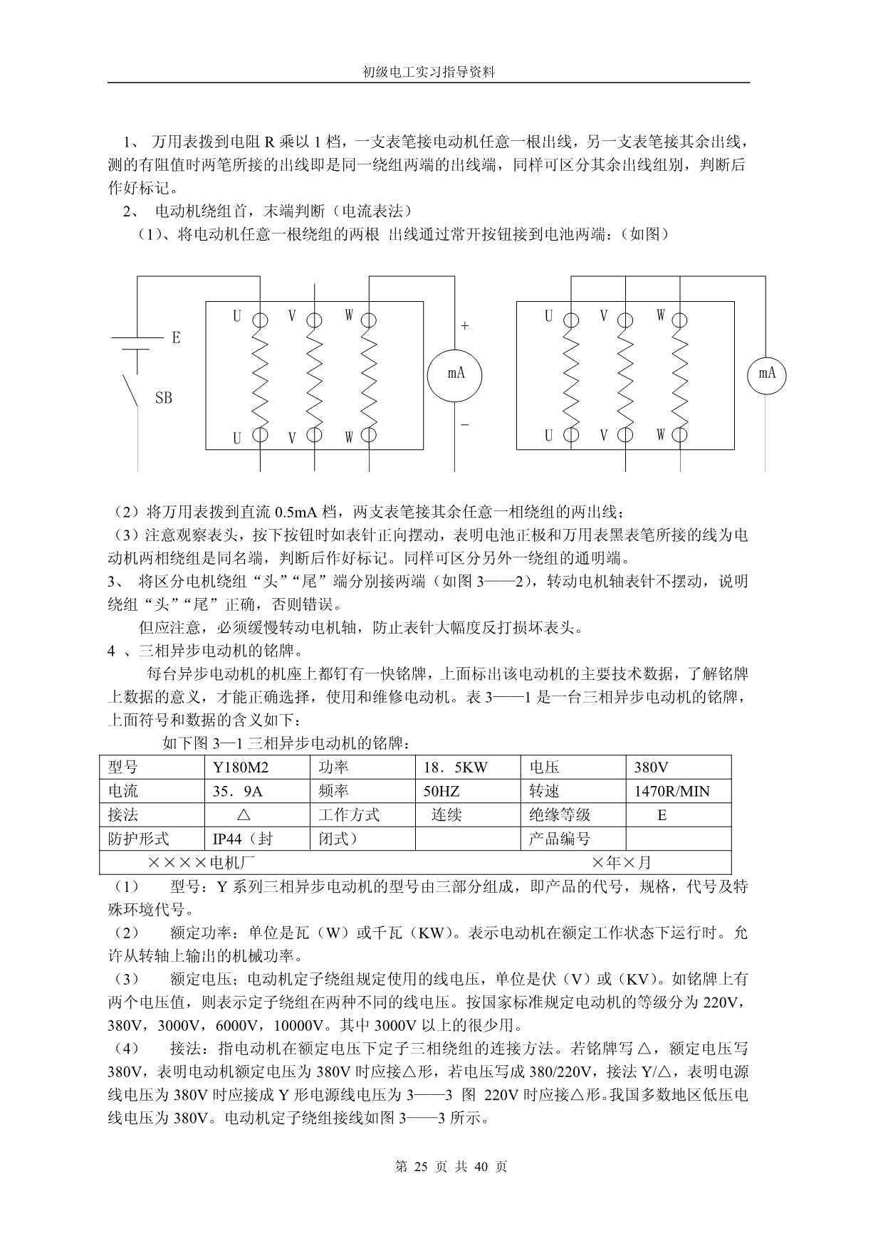
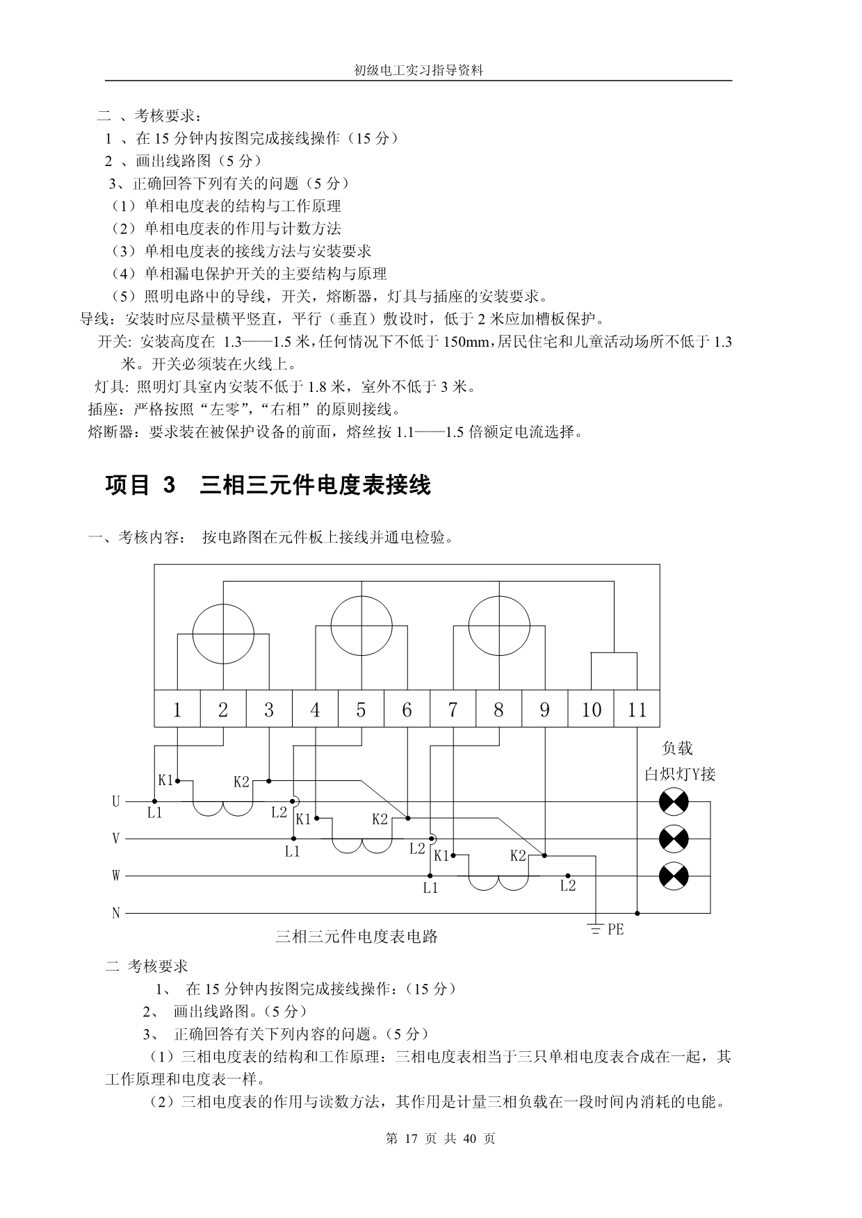
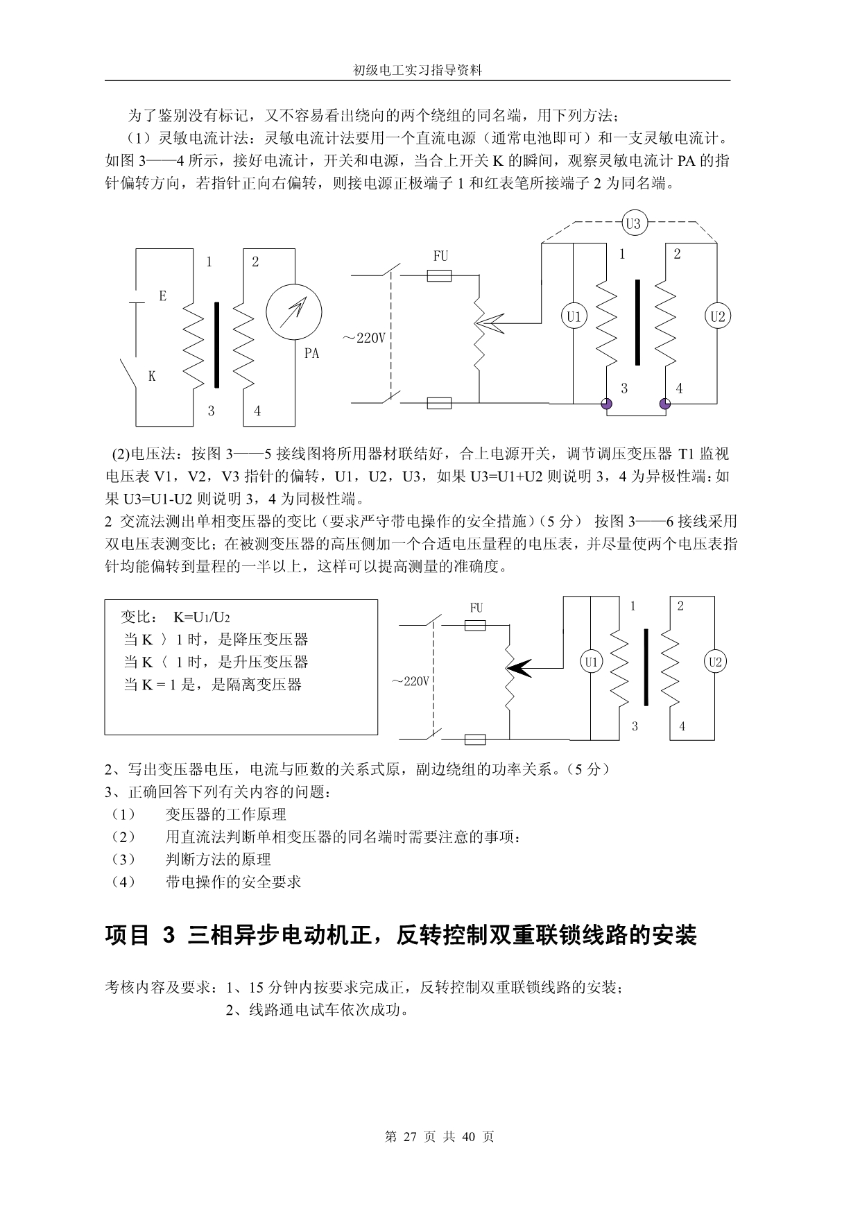
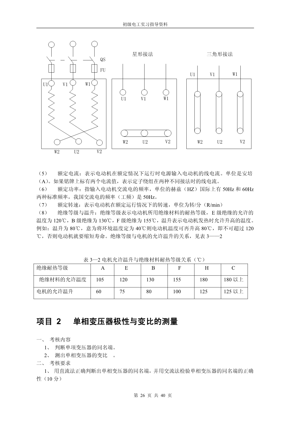
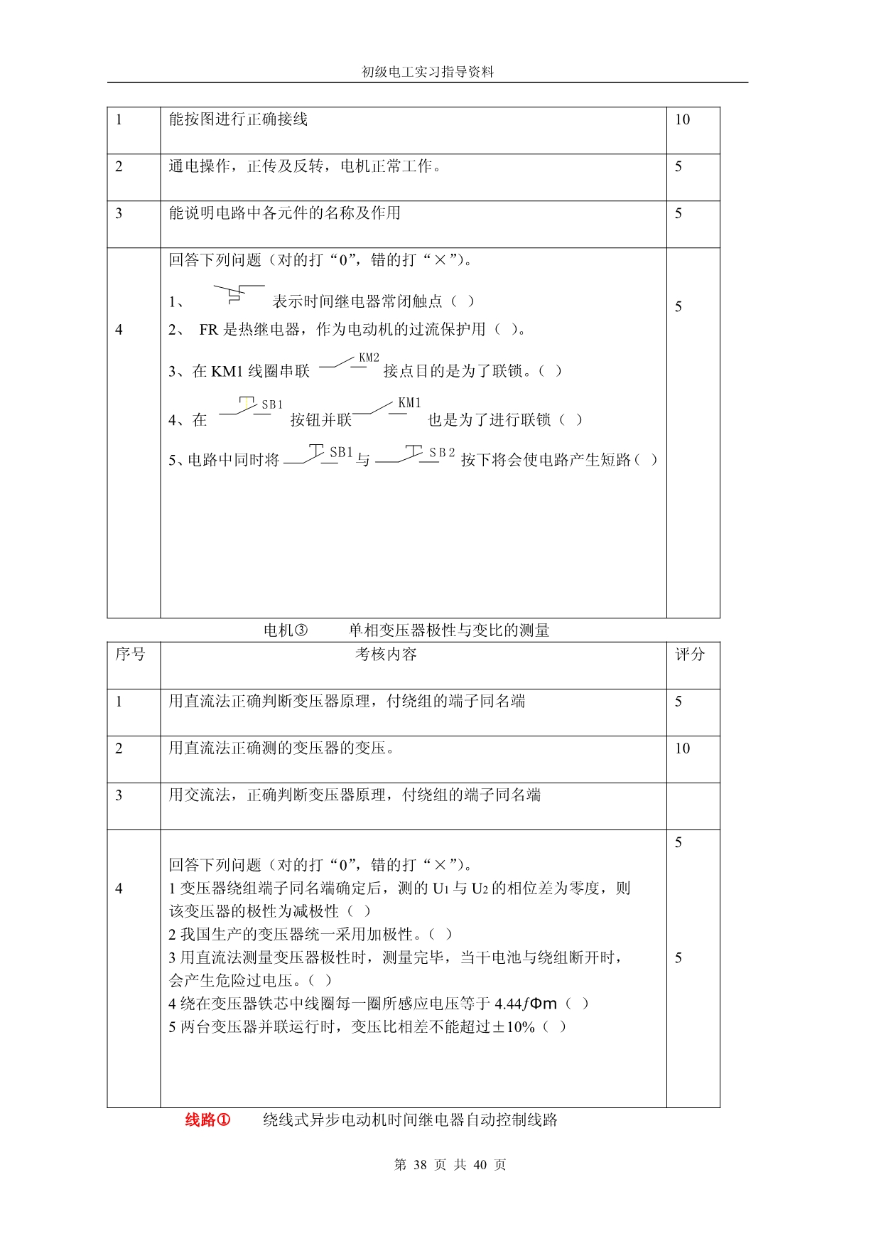
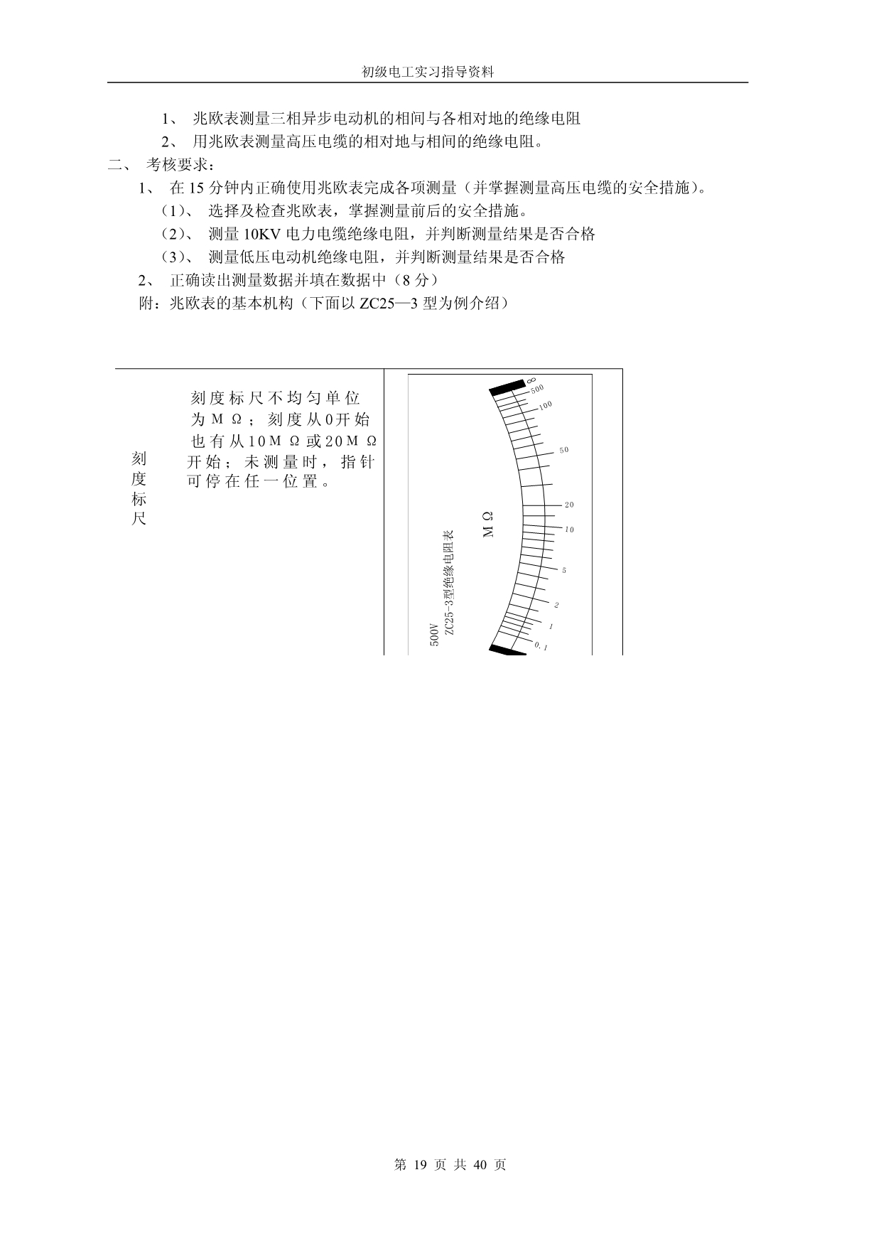
                              5.电子技能实训基础等教材2本

                              2022/4/29 11:11:24人浏览
                              • 上一篇:4.论文(4篇)
                              • 下一篇:6.学生科研项目(3个)
                              版权所有:技术支持:广东力拓网络科技有限公司        技术支持:广东力拓网络科技有限公司