大学生心理健康教育课教学比赛
E01 做情绪的主人
E02 当“我”来敲门
E03 驯服愤怒这匹“野马” 大学生愤怒情绪的管理
E04 恋爱心理—爱的五种语言
E05 解锁人际交往密码
E06 拥抱挫折
E07 大学生人际交往
E08 创新思维体验
美育教育教师教学基本功比赛
G02 语言艺术
G03岭南香雪--梅花的画法
G04 民族音乐鉴赏与实践
G05 气质肩颈训练
G06 萨克斯切分音与三连音节奏练习
预防艾滋病教育骨干教师比赛
F01 青春防艾,与我同行
F03 社会性别与性少数
F04 因为有爱,所以防艾
F05 为“艾”止步 让爱前行
F06 防艾有一套
F07 爱或精神控制 心里得有点数
F08 防“艾”于未然
F09 爱,你准备好了吗
F10 爱你有一Tao,幸福不会掉
F11 珍爱生命 远离毒品
专业课程二组
公共课组
1、助力数据强国-应用统计技术迎接医药新时代
2、作品名称:创新思维与创业准备
专业课程一组
1、作品名称:婴儿养育照护
2、作品名称:常见疾病的自我药疗
3、作品名称:老年人康复服务
4、作品名称:网页布局设计
专业课程二组
1、作品名称:酒水知识与酒吧管理
2、作品名称:耆乐无穷,多多忆善—认知障碍老人多元介入小组技术
3、作品名称:匠心制药——固体制剂制备技术
当前位置:
首页
>
职业院校技能大赛教学能力比赛
>
专业课程二组
>
3、作品名称:匠心制药——固体制剂制备技术
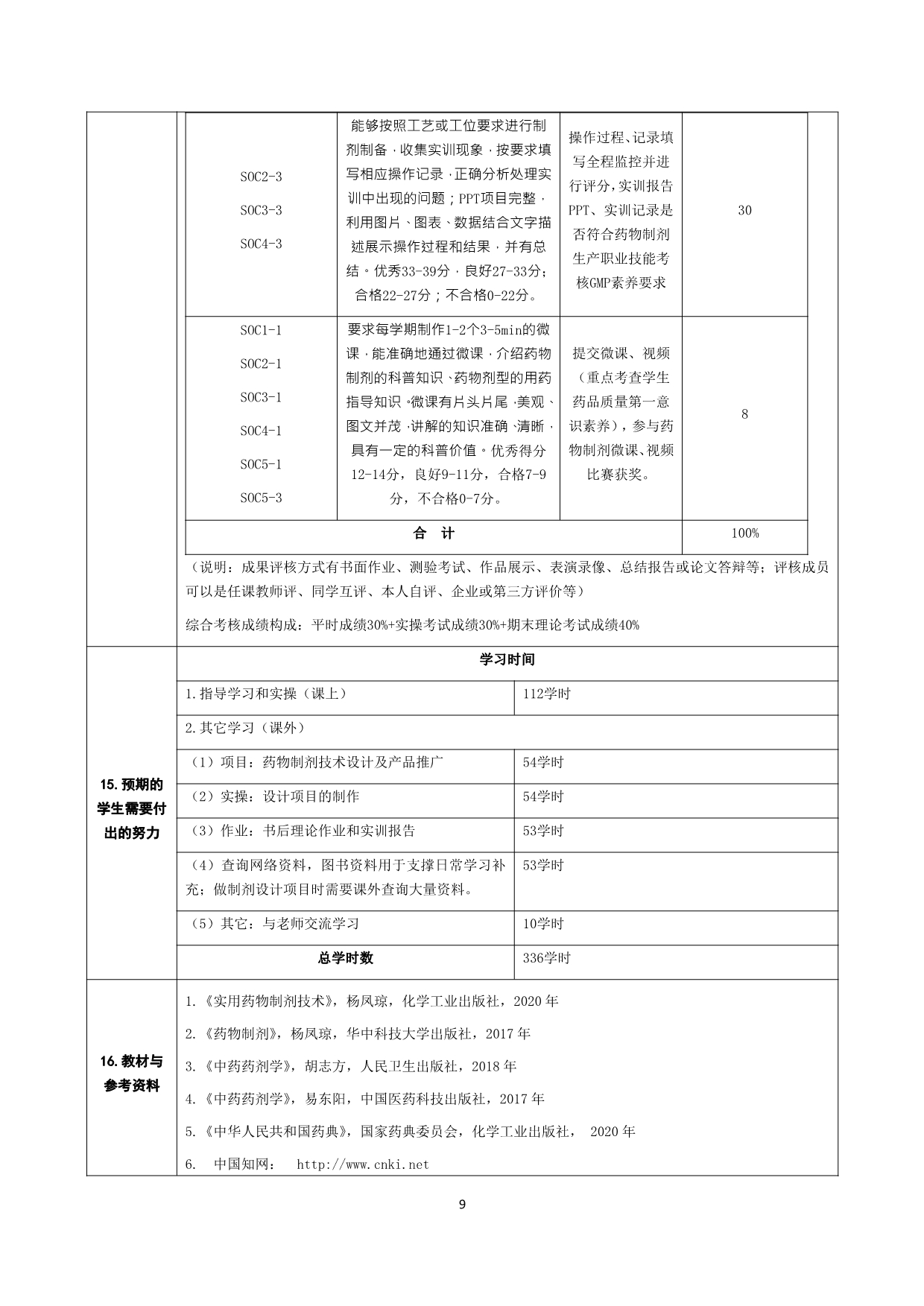
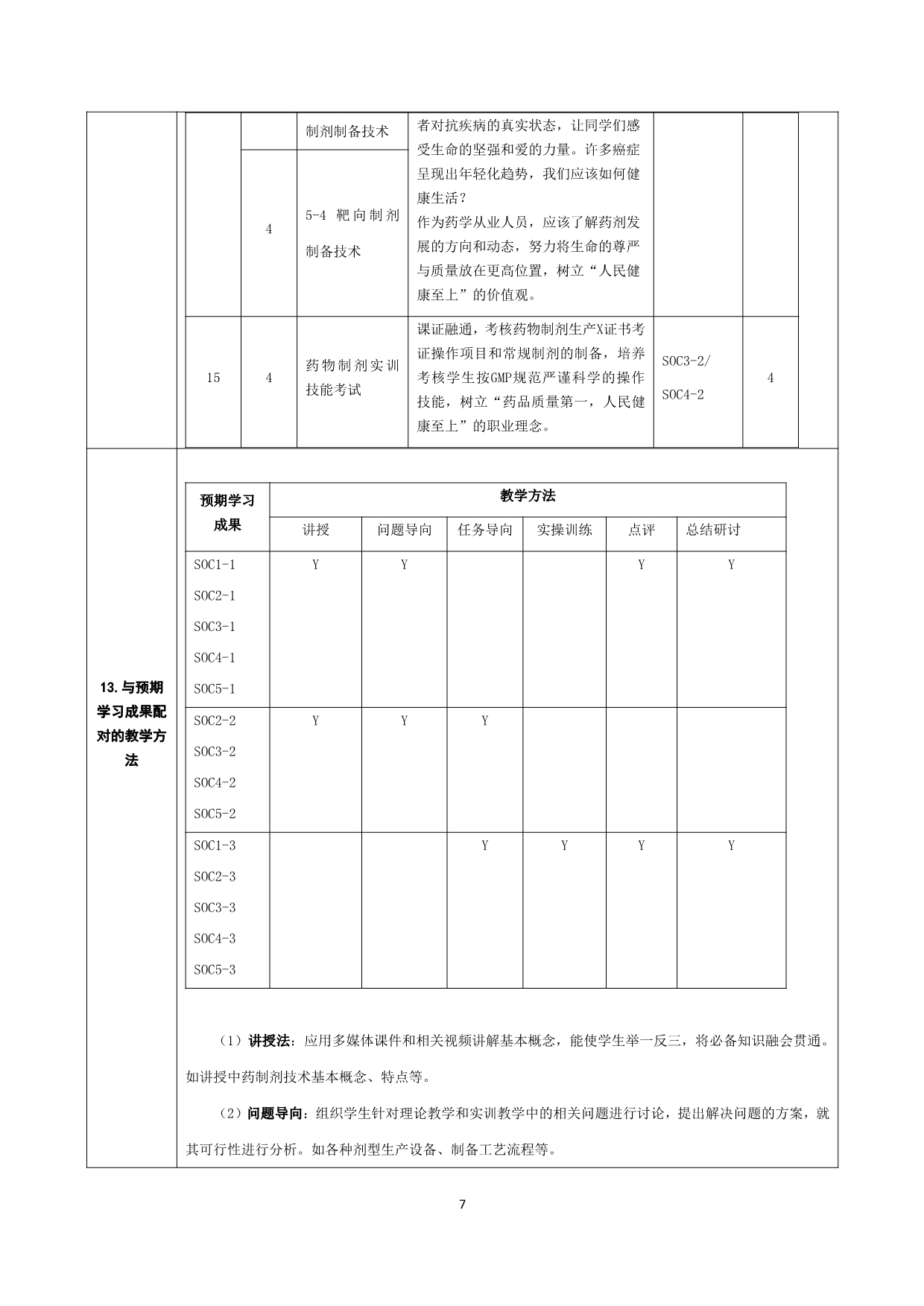
2.《药物制剂》课程标准
2023/5/20 20:11:32
人浏览
上一篇:
没有了
下一篇:
3.《匠心制药--固体制备技术》教案
技术支持:广东力拓网络科技有限公司