建设方案
建设方案
任务书
任务书
2024年度检查报告书
检查报告书
项目管理
专业群项目管理报告
高水平专业群建设项目管理办法
专业(群)建设经费管理办法
软件技术建设项目预算支出明细表
项目信息变更
任务完成情况及标志性成果一览表
佐证材料
1.人才培养模式创新
2.课程教学资源建设
3.教材与教法改革
4.教师教学创新团队
5.实践教学基地
6.技术技能平台
7.社会服务
8.国际交流与合作
9.可持续发展保障机制
标志性成果佐证材料
1-1:学生竞赛成果
1-2:省级课题《AIGC赋能课堂改革与教学个性化研究》
1-3:省计算机学会教学成果奖一等奖《产教一体、分段分流:面向中小微企业培养信息类“T型”人才的创新与实践》
2-1:省级“十四五”规划教材《SQL Server数据库技术项目化教程》等2种
2-2:省级课程思政在线精品开放课程《网络安全管理》
3-1:《Hadoop大数据平台集群部署与开发》等3种产教融合校本教材
4-1:3名晋升高级职称
4-2:省级云计算技术应用专业产业导师团队和高层次兼职教师(黄广杰)
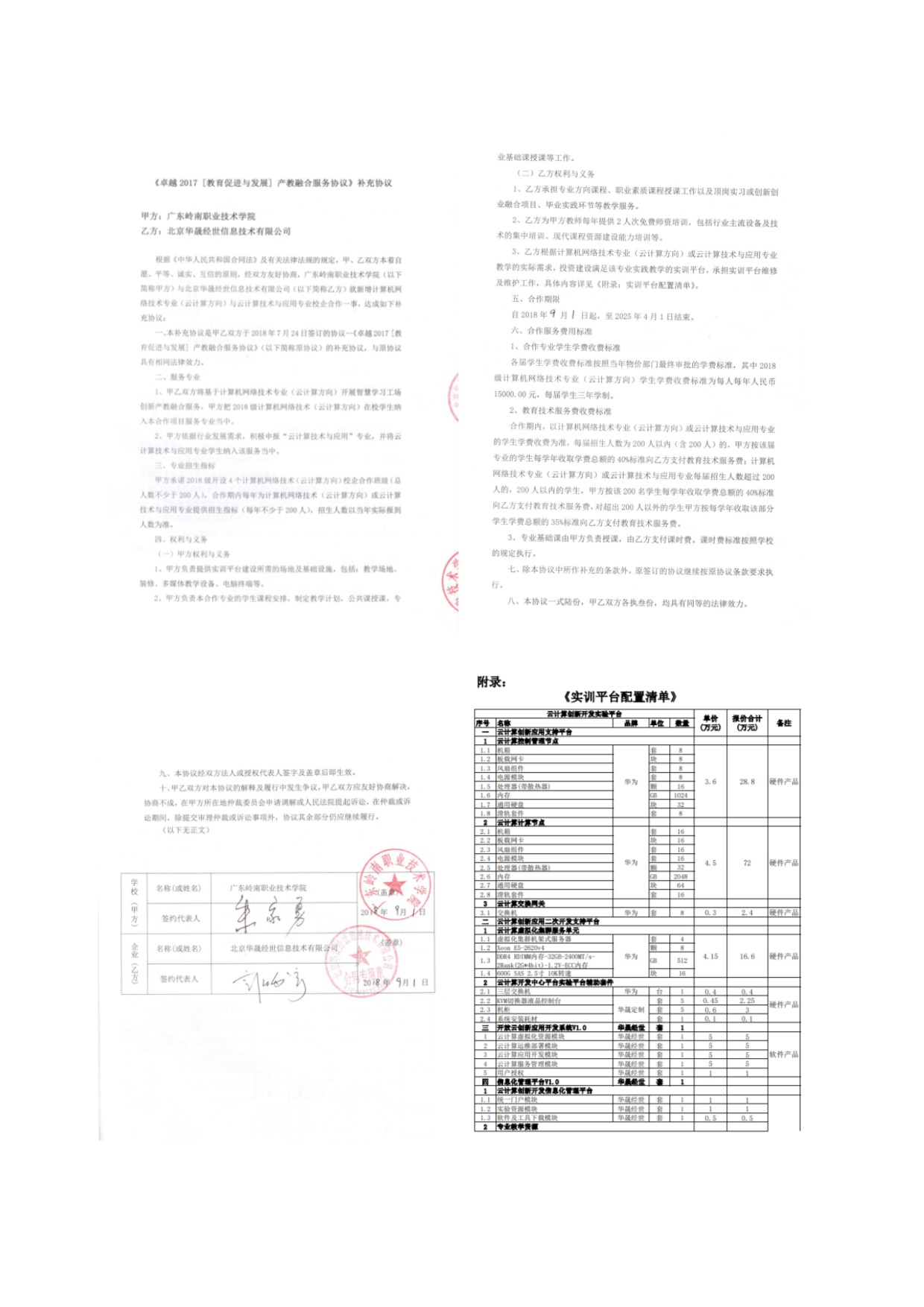
5-1:实训平台建设一览表
6-1:省级新一代信息技术示范性产业学院立项
6-2:省级创新创业训练计划项目
7-1:人工智能应用技术培训基地
7-2:“AI智能课堂分析系统”等2个项目
8-1:计算机网络技术专业开展国际化交流合作
8-2:《人工智能应用》等2门双语课程
9-1:拟立项全省第五批新时代高校党建示范创建和质量创优工作创建单位
返回首页
佐证材料
1.人才培养模式创新
2.课程教学资源建设
3.教材与教法改革
4.教师教学创新团队
5.实践教学基地
6.技术技能平台
7.社会服务
8.国际交流与合作
9.可持续发展保障机制
当前位置:
首页
>
佐证材料
>
5.实践教学基地
5-1共建实训基地
2025/1/14 13:13:35
人浏览
上一篇:
没有了
下一篇:
5-2-1建立教师企业工作室
技术支持:广东力拓网络科技有限公司