网站首页
申报书
建设方案
任务书
年度检查报告
2023年度检查报告
2023年度管理报告
2023年度建设任务完成情况及标志性成果一览表
党政联席会议纪要(2024-01)
佐证材料
1.人才培养模式创新
2.课程教学资源建设
3.教材与教法改革
4.教师教学创新团队
5.实践教学基地
6.技能技术平台
7.社会服务
8.国际交流与合作
9.可持续发展保障机制
标志性成果佐证材料
1.申报省级精品在线开放课程1门
2.开发“NX UG助理工程师” 1+X培训资源包
3.立项省级教科研项目11项
4.引进国家级教学名师1人
5.省级教学团队建设
6.比赛获奖46项
7.专利23项
8.科技进步奖及横向课题
9.教师获国际比赛三等奖
往年检查报告
2021年度检查报告
2022年度检查报告
中期检查报告(2023年)
2023年度检查报告
2021年度检查结果
2022年度检查结果
中期检查结果(2023年)
项目管理
1.专业群建设项目管理办法
2.专业群建设经费管理办法
3.2021年专业群经费支出明细表
4.2022年专业群经费支出明细表
5.2023年专业群经费支出明细表
返回首页
佐证材料
1.人才培养模式创新
2.课程教学资源建设
3.教材与教法改革
4.教师教学创新团队
5.实践教学基地
6.技能技术平台
7.社会服务
8.国际交流与合作
9.可持续发展保障机制
当前位置:
首页
>>
佐证材料
>>
3.教材与教法改革
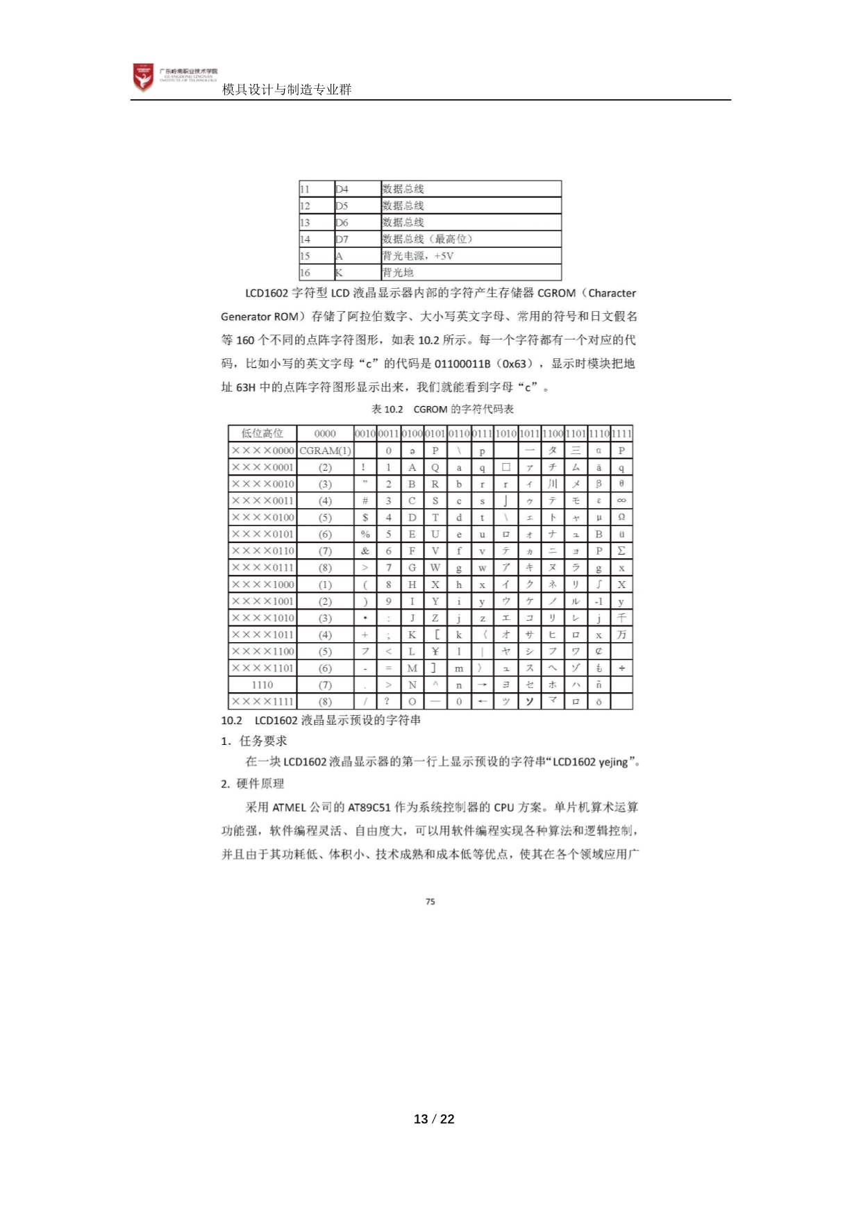
佐证材料3-1-4:校本教材《51单片机原理及C语言开发实例》
2024/1/16 16:24:03
人浏览
上一篇:
佐证材料3-1-3:校本教材《产品造型设计(Rhino)》
下一篇:
佐证材料3-2-1:推进“厂中校”实践教学改革