首页
教材材料(首次选用01-322)
01. 电子商务学院-首次选用教材样章
02. 经济管理学院-首次选用教材样章
03. 护理与健康学院-首次选用教材样章
04.医学应用技术学院-首次选用教材样章
05. 药学院-首次选用教材样章
06. 数字媒体与艺术学院-首次选用教材样章
07. 人工智能学院-首次选用教材样章
08. 智能制造学院-首次选用教材样章
09. 马克思主义学院-首次选用教材样章
10. 国际发展中心-首次使用教材样章
职业院校教材管理办法
教材选用工作通知
选用汇总表
审核指引
教材材料(首次选用01-322)
01. 电子商务学院-首次选用教材样章
02. 经济管理学院-首次选用教材样章
03. 护理与健康学院-首次选用教材样章
04.医学应用技术学院-首次选用教材样章
05. 药学院-首次选用教材样章
06. 数字媒体与艺术学院-首次选用教材样章
07. 人工智能学院-首次选用教材样章
08. 智能制造学院-首次选用教材样章
09. 马克思主义学院-首次选用教材样章
10. 国际发展中心-首次使用教材样章
当前位置:
首页
>
教材材料(首次选用01-322)
>
08. 智能制造学院-首次选用教材样章
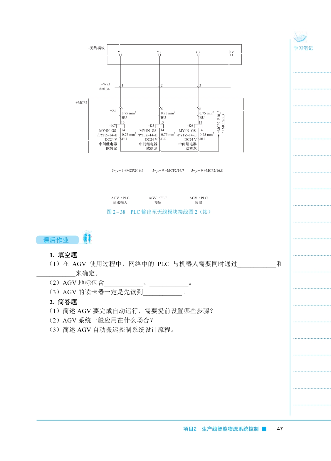
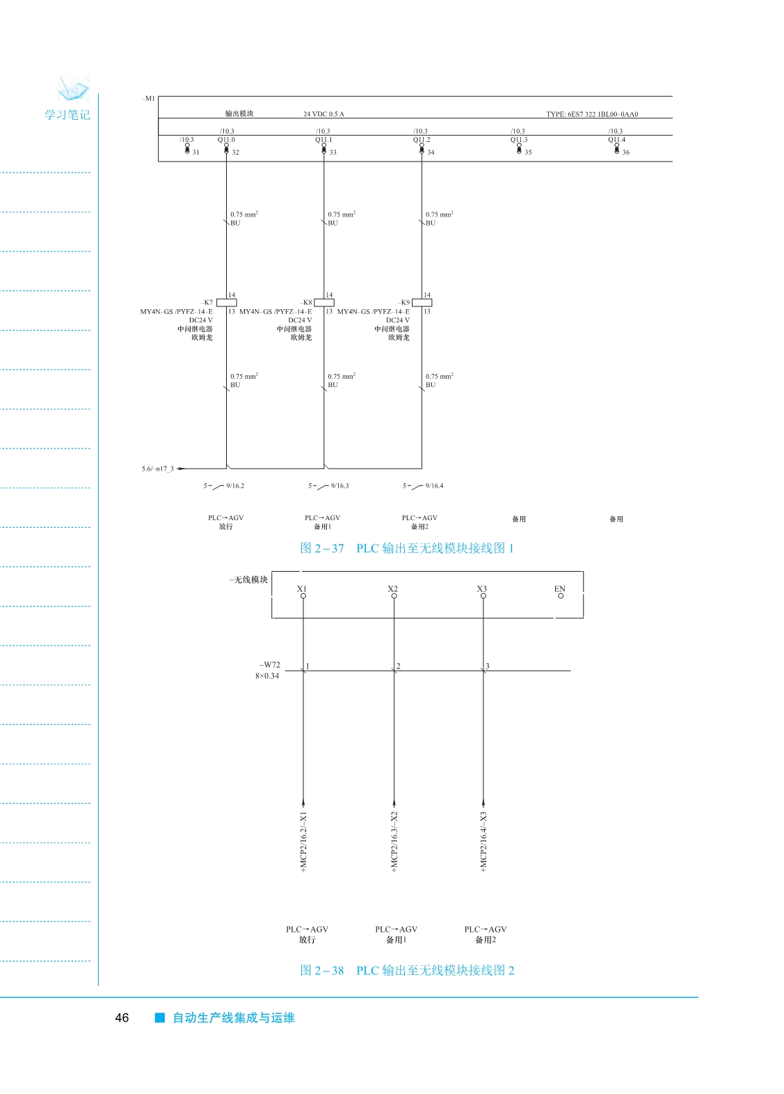
301.《自动化生产线集成与运维》蓝伟铭-智能制造学院
2025/12/20 17:23:24
人浏览
上一篇:
300.《注塑模具模流分析及工艺调试(中级)》李瑞友-智能制造学院
下一篇:
没有了
技术支持:广东力拓网络科技有限公司